型號:ZAZP
技術參數:
ZAZP系列電動直通單座調節閥由DKZ型系列直行程電動執行機構和直通單座閥兩部分組成,以單相交流220V電源為動力,接受0~10mA或4~20mA直流信號,自動地控制調節閥開度,達到對管道內流體的壓力、流量、液位等工藝參數的連續調節。
ZAZP系列電動直通單座調節閥由DKZ型系列直行程電動執行機構和直通單座閥兩部分組成,以單相交流220V電源為動力,接受0~10mA或4~20mA直流信號,自動地控制調節閥開度,達到對管道內流體的壓力、流量、液位等工藝參數的連續調節。該產品具有動作靈敏、能源取用方便、信號傳輸迅速等特點。廣泛應用電力、冶金、化工、輕紡等工業自動控制系統中。
電動調節閥主要零件材料:
| 閥體材料 | 材料牌號 | 公稱壓力(MPa) | 適用溫度范圍(℃) | |
| 常溫型 | 散熱型 | |||
| 鑄鐵 | HT200 | 1.6 | -20~200 | - |
| 鑄鋼 | ZG230~450 | 4.0,6.4 | -40~250 | -40~450 |
| 鑄不銹鋼 | ZG1Cr18Ni9Ti ZG0Cr18Ni12Mo2Ti | 4.0,6.4 | -40~250 | -60~450 |
電動單座調節閥主要技術參數
| 公稱通徑DN(mm) | G3/4″ | 20 | 25 | 32 | 40 | 50 | 65 | 80 | 100 | 125 | 150 | 200 | ||||||||||
| 閥座直徑DN(mm) | 3 | 4 | 5 | 6 | 7 | 8 | 10 | 12 | 15 | 20 | 26 | 32 | 40 | 50 | 66 | 80 | 100 | 125 | 150 | 200 | ||
| 額定流量系數Kv | 0.08 | 0.12 | 0.2 | 0.32 | 0.5 | 0.8 | 1.2 | 2 | 3.2 | 5 | 8 | 12 | 20 | 32 | 50 | 80 | 120 | 200 | 280 | 450 | ||
| 流量特性 | 直線 | 直線、等百分比 | ||||||||||||||||||||
| 公稱壓力PN(MPa) | 10 | 1.6,4.0,6.4 | ||||||||||||||||||||
| 連接型式 | 管螺紋連接G3/4 | 法蘭連接:PN1.6按JB79-59標準; PN4.0按JB79-59標準 | ||||||||||||||||||||
| 配用執行機構型號 | DKZ-310 | DKZ-310 | DKZ-310 | DKZ-410 | DKZ-410 | |||||||||||||||||
| 出抽推力(N) | 4000 | 4000 | 4000 | 6400 | 6400 | |||||||||||||||||
| 行程L(mm) | 10 | 10 | 16 | 25 | 40 | 60 | ||||||||||||||||
| 全行程時間(S) | 8 | 8 | 12.5 | 20 | 32 | 50 | ||||||||||||||||
| 作用方式 | 電開式(K)常用;電關式(B) | |||||||||||||||||||||
| 輸入信號 | 0~10mA 4~20mA DC | |||||||||||||||||||||
| 供電電源 | 220V;50~60Hz | |||||||||||||||||||||
| 固有可調比R | 30:1 | |||||||||||||||||||||
電動單座調節閥主要技術性能指標
| 項目 | 技術性能指標 |
| 基本誤差% | ≤±5 |
| 回差% | ≤3 |
| 死區% | ≤5 |
| 泄漏量 | 0.01%×閥額定容量 |
| 額定流量系數誤差% | ≤±10;當KV≤6.3時,為≤±15 |
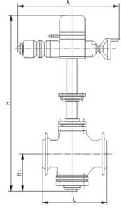
電動單座調節閥相關結構圖介紹:

訂貨須知 1.產品型號與名稱 2.公稱通徑DN(mm) 3.公稱壓力
4.流量特性 5.閥體材質 6.額定流量系數 7.介質種類和溫度范圍 8.閥前后壓力(壓差) 9.電源電壓和控制信號
10.其它特殊要求


電動調節閥主要零件材料:
| 閥體材料 | 材料牌號 | 公稱壓力(MPa) | 適用溫度范圍(℃) | |
| 常溫型 | 散熱型 | |||
| 鑄鐵 | HT200 | 1.6 | -20~200 | - |
| 鑄鋼 | ZG230~450 | 4.0,6.4 | -40~250 | -40~450 |
| 鑄不銹鋼 | ZG1Cr18Ni9Ti ZG0Cr18Ni12Mo2Ti | 4.0,6.4 | -40~250 | -60~450 |










?公司郵箱登入
?
浙公網安備33032402002441號